Reverberation Enhancement Systems

Sebastian J. Schlecht and Emanuël A. P. Habets

Introduction

What is the best acoustics for a listening space? Is there such a thing as 'best' acoustics in the first place? Or is it that playing different kinds of music or giving a talk requires different acoustics? How about choir chants composed for large churches, those fast bebop jazz grooves born in cellar clubs, or electronic club beats?

Room acoustics plays a vital role in how we perceive speech and music. Architects and acousticians have designed both specifically and accidentally those rooms shaping music and speech presentation [7]. While for centuries room geometry and wall materials have been the main acoustic tools, since the 1980s, electro-acoustics techniques opened up new possibilities[2]. Such systems are now known as Reverberation Enhancement Systems (RESs). With a RES in place, the room acoustics can be adjusted flexibly to whatever might be the 'best' support of the specific performance.

Reverberation Enhancement System

The working principle of a RES is to create additional reverberation via controlled feedback between many microphones and loudspeakers in the same room. The RES can be thought of a mechanism to make the walls less absorptive and therefore the reverberation tail longer.

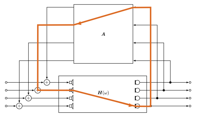
The well-educated sound engineer might however say: "Acoustic feedback, isn't that terrible?" The next figure illustrates the problem.

RES_Feedback

Figure 1: A reverberation enhancement system (RES) with four microphones and four loudspeakers. The microphones are coupled to the loudspeaker via a feedback matrix $\mathbf{A}$. If the feedback gain is too high, a positive feedback loop (in orange) can destabilize the RES. This so-called Larsen effect often results in loud and unpleasent ringing tones.

More Stability: Time-Variation

Over the years, researchers devised many methods to avoid such instabilities. Among them, so-called time-varying systems. The general idea is to change the acoustic feedback continuously such that no harmful resonance can sustain too long. A slightly silly solution would be to swing around the microphones and loudspeakers in the room:

Figure 2: Improving feedback stability by moving microphones and loudspeakers.

While this solution is effective, more practical methods implement time-variation processing in the digital feedback loop, to name a few of these methods: delay modulation [3], allpass modulation [4], and frequency shifting [5-6]. While all these methods process the feedback channels separately, we have developed a novel idea to make the mixing between the channels time-varying [8,10].

Figure 3: Time-varying gains in the feedback matrix helps to improve the stability of the RES.

What kind of matrix modulation is this? From the theory of feedback delay networks, we know those rotation matrices are an excellent choice for such a feedback matrix. Now, if we rotate a rotation matrix continuously over time, we get an ever-changing rotation matrix [9,11]. But as demonstrated in the video, this is just the beginning of all the acoustics we can create...

Demo Video

Figure 4: This demonstration video of a reverberation enhancement system (RES) was shot in the acoustics lab Mozart [1] at Fraunhofer IIS, Erlangen, Germany.

References

  1. Silzle, Andreas, Geyersberger, Stefan, Brohasga, Gerd, Weninger, Dieter, and Leistner, Michael
    Vision and Technique Behind the New Studios and Listening Rooms of the Fraunhofer IIS Audio Laboratory
    In Proc. Audio Eng. Soc. Conv.: 1–15, 2009.
    @inproceedings{Silzle:2009wa,
    author = {Silzle, Andreas and Geyersberger, Stefan and Brohasga, Gerd and Weninger, Dieter and Leistner, Michael},
    title = {{Vision and Technique Behind the New Studios and Listening Rooms of the Fraunhofer IIS Audio Laboratory}},
    booktitle = {Proc. Audio Eng. Soc. Conv.},
    year = {2009},
    pages = {1--15},
    address = {Munich, Germany},
    month = may
    }
  2. Berkhout, Augustinus J
    A Holographic Approach to Acoustic Control
    Journal of the Audio Engineering Society, 36(12): 977–995, 1988.
    @article{Berkhout:1988wh,
    author = {Berkhout, Augustinus J},
    title = {{A Holographic Approach to Acoustic Control}},
    journal = {Journal of the Audio Engineering Society},
    year = {1988},
    volume = {36},
    number = {12},
    pages = {977--995}
    }
  3. Griesinger, David
    Improving Room Acoustics Through Time-Variant Synthetic Reverberation
    In Proc. Audio Eng. Soc. Conv.: 1–10, 1991.
    @inproceedings{Griesinger:1991ys,
    author = {Griesinger, David},
    title = {{Improving Room Acoustics Through Time-Variant Synthetic Reverberation}},
    booktitle = {Proc. Audio Eng. Soc. Conv.},
    year = {1991},
    pages = {1--10},
    address = {Paris, France},
    month = feb
    }
  4. Lokki, Tapio and Hiipakka, Jarmo
    A time-variant reverberation algorithm for reverberation enhancement systems
    In Proc. Int. Conf. Digital Audio Effects (DAFx): 28–32, 2001.
    @inproceedings{Lokki:2001ly,
    author = {Lokki, Tapio and Hiipakka, Jarmo},
    title = {{A time-variant reverberation algorithm for reverberation enhancement systems}},
    booktitle = {Proc. Int. Conf. Digital Audio Effects (DAFx)},
    year = {2001},
    pages = {28--32},
    address = {Limerick, Ireland}
    }
  5. Schroeder, Manfred R
    Improvement of Acoustic-Feedback Stability by Frequency Shifting
    Journal of the Acoustical Society of America, 36(9): 1718–1724, 1964.
    @article{Schroeder:1964ki,
    author = {Schroeder, Manfred R},
    title = {{Improvement of Acoustic-Feedback Stability by Frequency Shifting}},
    journal = {Journal of the Acoustical Society of America},
    year = {1964},
    volume = {36},
    number = {9},
    pages = {1718--1724}
    }
  6. Poletti, Mark A
    The Stability Of Multichannel Sound Systems With Frequency Shifting
    Journal of the Acoustical Society of America, 116(2): 853–871, 2004.
    @article{Poletti:2004hh,
    author = {Poletti, Mark A},
    title = {{The Stability Of Multichannel Sound Systems With Frequency Shifting}},
    journal = {Journal of the Acoustical Society of America},
    year = {2004},
    volume = {116},
    number = {2},
    pages = {853--871}
    }
  7. Blesser, Barry A and Salter, Linda-Ruth
    Spaces Speak, are You Listening?
    MIT Press (MA), 2007.
    @book{Blesser:2007dw,
    author = {Blesser, Barry A and Salter, Linda-Ruth},
    title = {{Spaces Speak, are You Listening?}},
    publisher = {MIT Press (MA)},
    year = {2007},
    series = {Experiencing Aural Architecture}
    }
  8. Schlecht, Sebastian J and Habets, Emanuël A P
    Reverberation enhancement systems with time-varying mixing matrices
    In Proc. Audio Eng. Soc. Conf.: 1–8, 2015.
    @inproceedings{Schlecht:2015te,
    author = {Schlecht, Sebastian J and Habets, Emanu{\"e}l A P},
    title = {{Reverberation enhancement systems with time-varying mixing matrices}},
    booktitle = {Proc. Audio Eng. Soc. Conf.},
    year = {2015},
    pages = {1--8},
    address = {Montreal, Canada},
    month = jul
    }
  9. Schlecht, Sebastian J and Habets, Emanuël A P
    Time-varying feedback matrices in feedback delay networks and their application in artificial reverberation
    Journal of the Acoustical Society of America, 138(3): 1389–1398, 2015.
    @article{Schlecht:2015hi,
    author = {Schlecht, Sebastian J and Habets, Emanu{\"e}l A P},
    title = {{Time-varying feedback matrices in feedback delay networks and their application in artificial reverberation}},
    journal = {Journal of the Acoustical Society of America},
    year = {2015},
    volume = {138},
    number = {3},
    pages = {1389--1398},
    month = sep
    }
  10. Schlecht, Sebastian J and Habets, Emanuël A P
    The stability of multichannel sound systems with time-varying mixing matrices
    Journal of the Acoustical Society of America, 140(1): 601–609, 2016.
    @article{Schlecht:2016ta,
    author = {Schlecht, Sebastian J and Habets, Emanu{\"e}l A P},
    title = {{The stability of multichannel sound systems with time-varying mixing matrices}},
    journal = {Journal of the Acoustical Society of America},
    year = {2016},
    volume = {140},
    number = {1},
    pages = {601--609},
    month = jul
    }
  11. Schlecht, Sebastian J and Habets, Emanuël A P
    Practical considerations of time-varying feedback delay networks
    In Proc. Audio Eng. Soc. Conv.: 1–9, 2015.
    @inproceedings{Schlecht:2015tj,
    author = {Schlecht, Sebastian J and Habets, Emanu{\"e}l A P},
    title = {{Practical considerations of time-varying feedback delay networks}},
    booktitle = {Proc. Audio Eng. Soc. Conv.},
    year = {2015},
    pages = {1--9},
    address = {Warsaw, Poland},
    month = may
    }